Tohle je pouze testovací web, který není aktuální, objednávky nikdo nevyřídí a kdykoliv může cokoliv nenávratně zmizet.
Přihlášení

Přihlašovací údaje

DA-275-DFi6

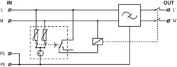
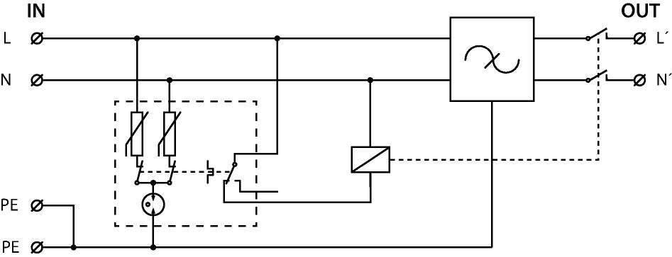
přepěťová ochrana s vf filtrem
Kód zboží: 2405-024
Porovnání:
Rozměry: š 54 x v 90 x h 72 mm
Prostředí: vnitřní, -40 až 80°C
Vlhkost: 5 - 90 %
Normy: ČSN EN 61643-11 ed.2
Značka: SALTEK
Záruka: 24 měsíců
Skladem: ne

Přepěťová ochrana s vf filtrem, instalace do rozvodů NN těsně před chráněné zařízení, 230 V/ 6 A, signalizace poruchy přerušením napájení a optická signalizace poruchy, k ochraně napájení řídicích systémů MaR, EZS, EPS apod. proti pulsnímu přepětí a vf rušení, priorita ochrany.

Typ SPD: T3
Montáž: lišta DIN 35
Jmenovité napětí: 230 V AC
Nejvyšší trvalé provozní napětí: 275 V AC
Jmenovitý zatěžovací proud při 25°C: 6 A
Typ sítě: TN
Maximální předjištění: 6 A gL/gG nebo C 6 A
Jmenovitý zkratový proud: 6,0 kA
Útlum filtru při 1MHz nesymetrický (50 Ω/50 Ω): 30 dB
Jmenovitý výbojový proud (8/20 µs) L-N: 3,00 kA
Jmenovitý výbojový proud (8/20 µs) L+N-PE: 5,00 kA
Jmenovitý výbojový proud (8/20 µs) N-PE: 3,00 kA
Zkušební napětí L-N: 6,0 kV
Zkušební napětí L+N-PE: 10,0 kV
Zkušební napětí N-PE: 6,0 kV
Napěťová ochranná hladina mód L-N: 1,20 kV
Napěťová ochranná hladina mód L-PE: 1,50 kV
Napěťová ochranná hladina mód N-PE: 1,50 kV
Doba odezvy L-N: 25 ns
Doba odezvy N-PE: 100 ns
TOV 5 s L-N: 335 V
TOV 5 s L-PE: 440 V
TOV charakteristika (TOV 5 s): výdržná
TOV 120 min L-N: 440 V
TOV 120 min L-PE: 335 V
TOV charakteristika (120 min): výdržná
TOV 200 ms L-PE: 1200 V
TOV 200 ms N-PE: 1455 V
TOV charakteristika (TOV 200 ms): bezpečně poruchová
Připojení (vstup - výstup): svorky - svorky
Průřez připojovaných vodičů pevný (max): 6,00 mm2
Průřez připojovaných vodičů slaněný (max): 6,00 mm2
Signalizace poruchy: červená kontrolka, přerušení napájení
Stupeň krytí: IP 20
Pro zobrazení souborů ke stažení je nutné být přihlášen