Tohle je pouze testovací web, který není aktuální, objednávky nikdo nevyřídí a kdykoliv může cokoliv nenávratně zmizet.
Přihlášení

Přihlašovací údaje

BDG-012-V/1-4FR1

svodič bleskových proudů
Kód zboží: 2405-029
Porovnání:
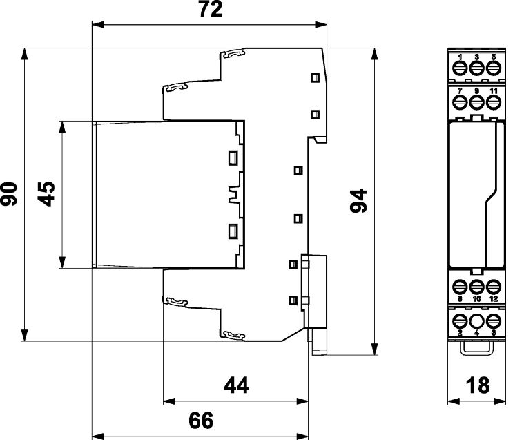
Rozměry: š 18 x v 90 x h 72 mm
Prostředí: vnitřní, -40 až 70°C
Vlhkost: 5 - 90 %
Normy: ČSN EN 61643-21+A1,A2
Značka: SALTEK
Záruka: 24 měsíců
Skladem: ne

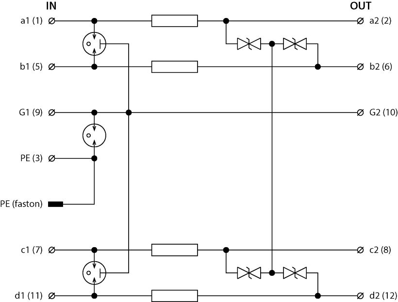
Svodič bleskových proudů s hrubou a jemnou přepěťovou ochranou až čtyřžilových plovoucích stíněných signálových linek, instalace na vstupu do budovy i těsně před chráněné zařízení, 12 V DC, max. 1 A, signálová zem oddělena od ochranné země, vyjímatelný modul, vazební impedance (R – odpor), linka od ochranné země oddělena pomocí bleskojistky, k ochraně rozhraní řídicích systémů MaR, EZS, EPS apod., zejména RS–485, před pulsním přepětím, proti podélnému přepětí (linka – ochranná zem) hrubá ochrana, proti příčnému přepětí (žíla – žíla) hrubá i jemná přepěťová ochrana a (žíla – GND) hrubá ochrana.

Typ SPD: D1, C2
Umístění SPD: ST 1+2+3
Montáž: lišta DIN 35
Jmenovité napětí: 12 V DC
Jmenovitý zatěžovací proud při 25°C: 1 A
Mezní frekvence žíla-žíla: 3,00 MHz
Sériový odpor na žílu: 0,8 ?
D1 impulsní výbojový proud (10/350 µs) žílu: 2,50 kA
D1 celkový výbojový proud (10/350 µs) žíly-PE: 5,00 kA
C2 jmenovitý výbojový proud (8/20 µs) GND-PE: 10,00 kA
C2 jmenovitý výbojový proud (8/20 µs) na žílu: 10,00 kA
C2 celkový výbojový proud (8/20 µs) žíly-PE: 20,00 kA
C3 jmenovitý rázový proud (10/1000 µs) žíla-PE: 10 A
C3 jmenovitý rázový proud (10/1000 µs) GND-PE: 10 A
C3 ochranná hladina napětí mód GND-PE při 1kV/µs: 550 V
C3 ochranná hladina napětí mód žíla-GND při 1kV/µs: 550 V
C3 ochranná hladina napětí mód žíla-žíla při 1kV/µs: 24 V
Doba odezvy žíla-žíla: 1 ns
Doba odezvy žíla-GND: 100 ns
Doba odezvy GND-PE: 100 ns
Připojení (vstup - výstup): svorky - svorky
Průřez připojovaných vodičů pevný (max): 4,00 mm2
Průřez připojovaných vodičů slaněný (max): 2,5 mm2
Stupeň krytí: IP 20
Pro zobrazení souborů ke stažení je nutné být přihlášen