Tohle je pouze testovací web, který není aktuální, objednávky nikdo nevyřídí a kdykoliv může cokoliv nenávratně zmizet.
Přihlášení

Přihlašovací údaje

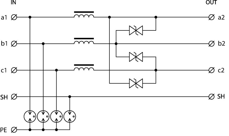
DM-024/1 3L DJ

dvoustupňová přepěťová ochrana
Kód zboží: 2405-048
Porovnání:
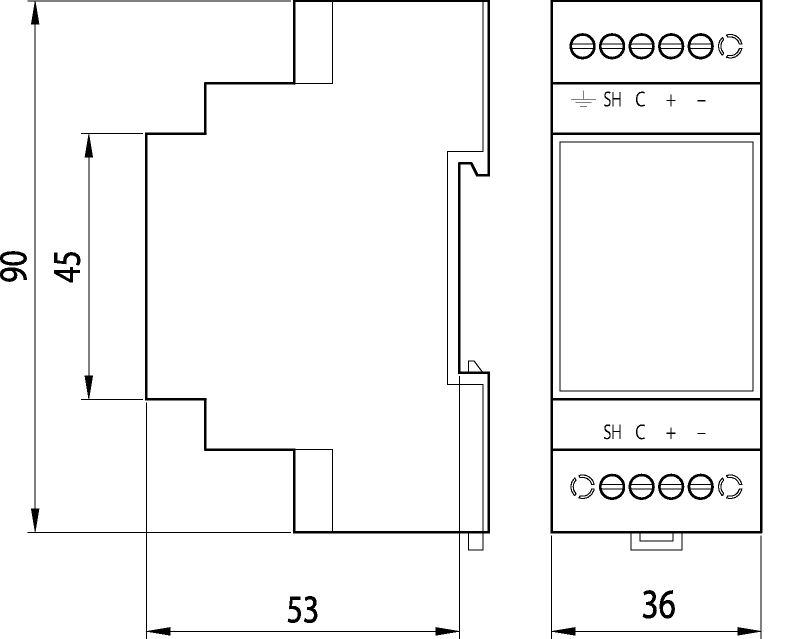
Rozměry: š 36 x v 90 x h 53 mm
Prostředí: vnitřní, -40 až 80°C
Vlhkost: 5 - 90 %
Normy: ČSN EN 61643-21+A1,A2
Značka: SALTEK
Záruka: 24 měsíců
Skladem: ne

Dvoustupňová přepěťová ochrana třížilových signálových linek, instalace těsně před chráněné zařízení, 24 V DC, max. 370 mA, vazební impedance (L - indukčnost), k ochraně rozhraní řídicích systémů MaR, EZS, EPS apod., zejména rozhraní RS 485, před pulsním přepětím, proti podélnému přepětí (žíla–ochranná zem) hrubá přepěťová ochrana, proti příčnému přepětí (žíla – žíla) hrubá i jemná přepěťová ochrana.

Typ SPD: C2, C3
Umístění SPD: ST 2+3
Montáž: lišta DIN 35
Jmenovité napětí: 24 V DC
Nejvyšší trvalé provozní napětí: 20,60 V AC
Nejvyšší trvalé provozní napětí DC: 29,10 V DC
Jmenovitý zatěžovací proud při 25°C: 0,37 A
Mezní frekvence žíla-žíla: 0,16 MHz
Sériová indukčnost na žílu: 100 µH
C2 jmenovitý výbojový proud (8/20 µs) na žílu: 10,00 kA
C2 ochranná hladina napětí mód žíla-PE při In: 350 V
C2 ochranná hladina napětí mód žíla-žíla při In: 50 V
C3 ochranná hladina napětí mód žíla-PE při 1kV/µs: 650 V
C3 ochranná hladina napětí mód žíla-žíla při 1kV/µs: 40 V
Doba odezvy žíla-žíla: 1 ns
Doba odezvy žíla-PE: 100 ns
Připojení (vstup - výstup): svorky - svorky
Průřez připojovaných vodičů pevný (max): 4,00 mm2
Průřez připojovaných vodičů slaněný (max): 2,5 mm2
Stupeň krytí: IP 20
Pro zobrazení souborů ke stažení je nutné být přihlášen