Tohle je pouze testovací web, který není aktuální, objednávky nikdo nevyřídí a kdykoliv může cokoliv nenávratně zmizet.
Přihlášení

Přihlašovací údaje

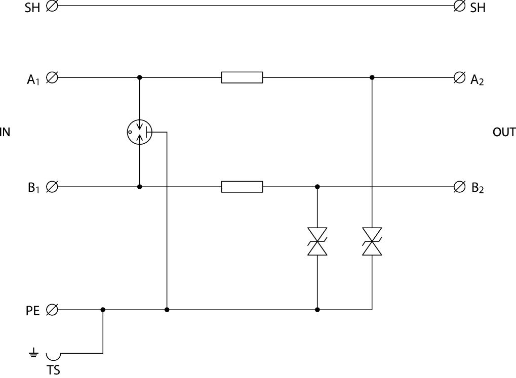
DMJ-024/2-RS

dvoustupňová přepěťová ochrana
Kód zboží: 2405-056
Porovnání:
Rozměry: š 7 x v 91 x h 58 mm
Prostředí: vnitřní, -40 až 70°C
Vlhkost: 5 - 90 %
Normy: ČSN EN 61643-21+A1,A2
Značka: SALTEK
Záruka: 24 měsíců
Skladem: ne

Dvoustupňová přepěťová ochrana dvou jednožilových signálových linek, instalace těsně před chráněné zařízení, 24 V DC, max. 0,5 A, vazební impedance – odpor, šroubové svorky, k ochraně rozhraní řídicích systémů MaR, EZS, EPS apod., zejména ovládacích obvodů, před pulsním přepětím, proti podélnému přepětí (žíla–ochranná zem) hrubá i jemná přepěťová ochrana.

Typ SPD: C2, C3
Umístění SPD: ST 2+3
Montáž: lišta DIN 35
Jmenovité napětí: 24 V DC
Nejvyšší trvalé provozní napětí: 25 V AC
Nejvyšší trvalé provozní napětí DC: 36 V DC
Jmenovitý zatěžovací proud při 25°C: 0,50 A
Mezní frekvence žíla-žíla: 4,00 MHz
Sériový odpor na žílu: 1,6 ?
D1 impulsní výbojový proud (10/350 µs) žílu: 0,50 kA
D1 celkový výbojový proud (10/350 µs) žíly-PE: 1,00 kA
C2 jmenovitý výbojový proud (8/20 µs) na žílu: 5,00 kA
C2 celkový výbojový proud (8/20 µs) žíly-PE: 10,00 kA
C2 ochranná hladina napětí mód žíla-PE při In: 65 V
C3 ochranná hladina napětí mód žíla-PE při 1kV/µs: 45 V
Doba odezvy žíla-PE: 1 ns
Připojení (vstup - výstup): svorky - svorky
Průřez připojovaných vodičů pevný (max): 4,00 mm2
Průřez připojovaných vodičů slaněný (max): 2,5 mm2
Stupeň krytí: IP 20
Pro zobrazení souborů ke stažení je nutné být přihlášen