Tohle je pouze testovací web, který není aktuální, objednávky nikdo nevyřídí a kdykoliv může cokoliv nenávratně zmizet.
Přihlášení

Přihlašovací údaje

DMP-012-V/1-FR1

přepěťová ochrana
Kód zboží: 2405-057
Porovnání:
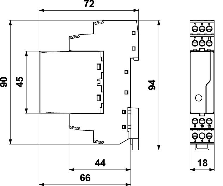
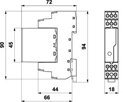
Rozměry: š 18 x v 90 x h 72 mm
Prostředí: vnitřní, -40 až 70°C
Vlhkost: 5 - 95 %
Normy: ČSN EN 61643-21+A1,A2
Značka: SALTEK
Záruka: 24 měsíců
Skladem: ne

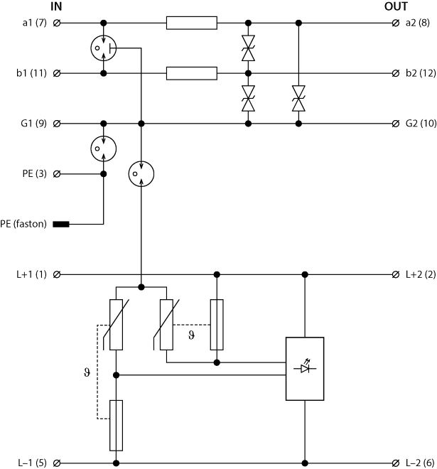
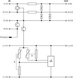
Kombinace dvoustupňové přepěťové ochrany dvoužilových signálových linek v datové části a přepěťové ochrany pro malé napětí v části napájení, instalace těsně před chráněné zařízení, signálová zem oddělena od ochranné země, 24 V DC, vyjímatelný modul, vazební impedance (R – odpor) v datové části, linka od ochranné země oddělena pomocí bleskojistky, k ochraně před pulsním přepětím pro rozhraní řídicích systémů MaR, EZS, EPS apod., zejména měřicích obvodů a čidel, kde jsou jedním kabelem přenášena jak signály, tak napájení před pulsním přepětím.

Montáž: lišta DIN 35
Jmenovité napětí: 12 V DC
Nejvyšší trvalé provozní napětí: 11 V AC
Nejvyšší trvalé provozní napětí DC: 16 V DC
Jmenovitý zatěžovací proud při 25°C: 16,00 A
Maximální předjištění: 16 A gL/gG nebo B 16 A
Mezní frekvence žíla-žíla: 2,00 MHz
Sériový odpor na žílu: 0,8 ?
Zkušební napětí L+ - L-: 4 kV
Zkušební napětí L+(L-)-PE: 4 kV
Zkušební napětí M-PE: 4 kV
Napěťová ochranná hladina L+ - L-: 0,18 kV
Napěťová ochranná hladina L+(L-)-PE: 0,95 kV
Napěťová ochranná hladina M-PE: 0,75 kV
C2 jmenovitý výbojový proud (8/20 µs) GND-PE: 10,00 kA
C2 jmenovitý výbojový proud (8/20 µs) na žílu: 10,00 kA
C2 celkový výbojový proud (8/20 µs) žíly-PE: 20,00 kA
C2 jmenovitý výbojový proud (8/20 µs) žíla-žíla: 2,00 kA
C2 ochranná hladina napětí mód M-PE při In: 750,00V
C2 ochranná hladina napětí mód žíla-PE při In: 950 V
C2 ochranná hladina napětí mód žíla-žíla při In: 180 V
C3 jmenovitý rázový proud (10/1000 µs) GND-PE: 10,00 A
C3 jmenovitý rázový proud (10/1000 µs) žíla-GND: 10,00 A
C3 jmenovitý rázový proud (10/1000 µs) žíla-žíla: 10,00 A
C3 ochranná hladina napětí mód GND-PE při 1kV/µs: 550,00 V
C3 ochranná hladina napětí mód žíla-GND při 1kV/µs: 22,00 v
C3 ochranná hladina napětí mód žíla-PE při 1kV/µs: 22 V
Doba odezvy žíla-žíla: 1 ns
Doba odezvy žíla-GND: 1 ns
Doba odezvy GND-PE: 100 ns
Doba odezvy L+ - L-: 25 ns
Doba odezvy L+(L-)-PE: 100 ns
Doba odezvy M-PE: 100 ns
Připojení (vstup - výstup): svorky - svorky
Průřez připojovaných vodičů pevný (max): 4,00 mm2
Průřez připojovaných vodičů slaněný (max): 2,5 mm2
Signalizace poruchy: červená kontrolka
Stupeň krytí: IP 20
Pro zobrazení souborů ke stažení je nutné být přihlášen