Tohle je pouze testovací web, který není aktuální, objednávky nikdo nevyřídí a kdykoliv může cokoliv nenávratně zmizet.
Přihlášení

Přihlašovací údaje

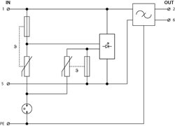
DPF-024DC-16

přepěťová ochrana napájení s vf filtrem
Kód zboží: 2405-068
Porovnání:
Rozměry: š 36 x v 90 x h 72 mm
Prostředí: vnitřní, -40 až 80°C
Vlhkost: 5 - 95 %
Normy: ČSN EN 61643-11 ed.2
Značka: SALTEK
Záruka: 24 měsíců
Skladem: ne

Přepěťová ochrana napájení s integrovaným odrušovacím vf filtrem, do 24 V AC i DC, optická signalizace poruchy, instalace do rozvodů malého napětí v blízkosti chráněného zařízení, k ochraně napájení řídicích systémů MaR, EZS, EPS apod. proti pulsnímu přepětí a vf rušení, pro střídavé i stejnosměrné napájení.

Typ SPD: T3
VF Filtr: ano
Montáž: lišta DIN 35
Jmenovité napětí: 24 V DC
Nejvyšší trvalé provozní napětí: 34,00 V AC
Nejvyšší trvalé provozní napětí DC: 34,00 V DC
Jmenovitý zatěžovací proud při 25°C: 16,00 A
Maximální předjištění: 16 A gL/gG nebo B 16 A
Útlum filtru při 1MHz symetrický (50 Ω/50 Ω): 45 dB
Útlum filtru při 1MHz nesymetrický (50 Ω/50 Ω): 30 dB
Zkušební napětí L+ - L-: 4 kV
Zkušební napětí L+(L-)-PE: 4 kV
Napěťová ochranná hladina L+ - L-: 0,29 kV
Napěťová ochranná hladina L+(L-)-PE: 0,50 kV
Doba odezvy L+ - L-: 25 ns
Doba odezvy L+(L-)-PE: 100 ns
Připojení (vstup - výstup): svorky - svorky
Průřez připojovaných vodičů pevný (max): 6,00 mm2
Průřez připojovaných vodičů slaněný (max): 6,00 mm2
Signalizace poruchy: červená kontrolka
Stupeň krytí: IP 20
Pro zobrazení souborů ke stažení je nutné být přihlášen