Tohle je pouze testovací web, který není aktuální, objednávky nikdo nevyřídí a kdykoliv může cokoliv nenávratně zmizet.
Přihlášení

Přihlašovací údaje

RACK-PROTECTOR-X8-1U-5

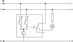
19" napájecí panel, 1U, 8x 230 V, přepěťová ochrana
Kód zboží: 2405-147
Porovnání:
Rozměry: š 482 x v 44 x h 44 mm
Prostředí: vnitřní, -40 až 80°C
Vlhkost: 5 - 90 %
Normy: ČSN EN 61643-11 ed.2
Značka: SALTEK
Záruka: 24 měsíců
Skladem: ne

Vícenásobná zásuvka s integrovanou přepěťovou ochranou SPD typu 3, pro montáž do 19" racků, optická signalizace poruchy, přívodní kabel 5 m, vidlice CEE 7/7, k ochraně informačních technologií před pulsním přepětím.


Zásuvky:typ E
Počet zásuvek:8
Způsob montáže:19", přední lišta
Výška do racku U:1U
Zástrčka:typ E/F
Délka přívodního kabelu:500 cm
Typ příslušenství: napájecí panel s přepěťovou ochranou
Zásuvky: typ E
Počet zásuvek: 8
Přepěťová ochrana: ano
Zatížení: 16 A max.
Způsob montáže: 19", přední lišta
Výška do racku U: 1U
Zástrčka: typ E/F
Délka přívodního kabelu: 500 cm
Signalizace poruchy: červená kontrolka
Barva: černá
Typ SPD: T3
Montáž: 19" stojan
Jmenovité napětí: 230 V AC
Nejvyšší trvalé provozní napětí: 275 V AC
Jmenovitý zatěžovací proud při 25°C: 16 A
Typ sítě: TN
Maximální předjištění: 16 A gL/gG nebo C 16 A
Jmenovitý zkratový proud: 6,0 kA
Reziduální proud: 0,004 mA
Jmenovitý výbojový proud (8/20 µs) L-N: 3,00 kA
Jmenovitý výbojový proud (8/20 µs) L+N-PE: 5,00 kA
Jmenovitý výbojový proud (8/20 µs) N-PE: 3,00 kA
Zkušební napětí L-N: 6,00 kV
Zkušební napětí L+N-PE: 10,00 kV
Zkušební napětí N-PE: 6,00 kV
Napěťová ochranná hladina mód L-N: 1,20 kV
Napěťová ochranná hladina mód L-PE: 1,50 kV
Napěťová ochranná hladina mód N-PE: 1,50 kV
Doba odezvy L-N: 25 ns
Doba odezvy N-PE: 100 ns
Stupeň krytí: IP 40
Pro zobrazení souborů ke stažení je nutné být přihlášen